PT-8CLR 寬頻 DC 解耦模組 (8 CH, 100 kHz~8500 MHz)
模擬現代多媒體元件所需的主動天線測試環境
PT-8CLR 為一款具備 8 通道獨立 RF 訊號路徑 的 DC 負載模組,適用於 100 kHz 至 8500 MHz 的超寬頻頻率範圍,專為模擬主動天線所需的直流負載條件而設計,能有效支援現代車載資訊娛樂系統的虛擬供電測試。
該機種可用於 模擬現代多媒體元件中主動天線的直流特性需求,如車載接收器、無線模組、通訊設備等關鍵元件。每一通道皆可透過外部電阻進行負載電流設定,並配備內建的 超寬頻 BIAS-T(偏壓注入電路),能支援最高 400 mA 的直流電流供應。為便於操作與即時監控,該機種提供前面板 LED 指示功能,能清楚顯示每通道是否偵測到虛擬供電電壓。
產品特點
- 每通道皆可自由設定直流負載電流(透過外部電阻)
- 支援每通道最高 400 mA 電流容量,滿足主動天線模擬需求
- 具備每通道虛擬供電狀態 LED 顯示功能,即時視覺監控
- 小型化設計,僅佔用 1U 高度空間,適合機架整合應用
應用場景
- 廣播電台訊號模擬與測試(如 AM / FM / DAB)
- 行動通訊裝置驗證(GSM、3G、LTE、5G 等)
- 無線通訊模擬環境建構(如 Wi-Fi、Bluetooth 等)
- 車載資訊娛樂系統之主動天線測試
- 電子產品開發階段之功能與相容性驗證
- 研發測試與產線終端測試應用

小型化設計
PT-8CLR 採用緊湊式架構,在僅佔用 1U 機架高度的設計中,整合 八組獨立 RF 通道,每通道均支援直流負載最高達 400 mA,提供高密度整合能力,適合部署於多通道測試系統中。
超寬頻支援
每一 RF 通道皆經過專業設計,能完整涵蓋 100 kHz 至 8500 MHz 的頻率範圍,對應目前主流 廣播系統(如 DAB)、行動網路通訊(如 LTE/5G)與無線標準(如 WLAN、ZigBee),提供高頻段的一致性與低損耗傳輸性能。
靈活電流設定能力
每一通道的直流負載路徑,均採用 後端連接器方式設計,整合於 BIAS-T 模組上。使用者可根據實際測試需求,透過外接電阻進行精確電流調整,以符合不同天線模擬條件。建議可參考典型負載電阻設定值範圍,例如:10 Ω(對應 40 mA)、5 Ω(對應 80 mA)等。
技術規格

效能

外觀

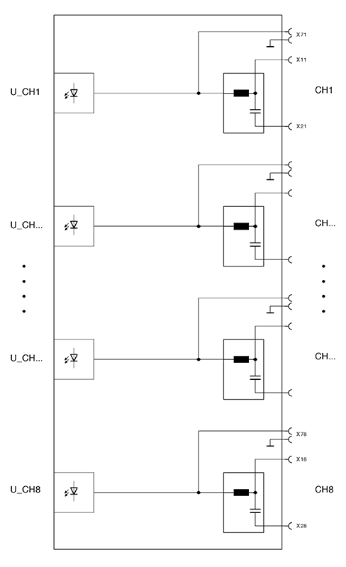
應用實例:車載資訊娛樂系統測試
下方區塊圖展示一個典型的八通道測試架構,模擬實際車輛中主動天線之直流與 RF 雙重供應條件。搭配車載多媒體主機進行虛擬供電測試,檢驗天線模組在各頻段下的反應與穩定性,如圖所示為系統架構建議配置。

系統架構示意圖

腳位定義
X71 至 X78(DC 連接器)腳位配置:

相關產品



