HexGen HEX300-230HL Hexapod
六軸(Six-DOF)定位系統
Aerotech HexGen Hexapod 代表了六自由度 (DOF) 定位性能的次世代技術,融合先進的運動學控制與精密工程,提供卓越的定位能力,HEX300-230HL 是一款專為中等負載應用 (垂直負載能力 45 kg) 設計的高精度 Hexapod,能夠在各種高要求環境下提供卓越的穩定性與精確性;此款 Hexapod 特別適用於感測器測試、同步輻射樣品操作、精密光學對準、奈米級材料研究、半導體製造與檢測等應用場景。
其創新設計不僅確保了更高的運動剛性與極低的換向誤差 (Backlash),還提供了靈活的配置選配,使其能夠輕鬆適應各類技術應用需求;透過高精密驅動機制與獨特的結構設計,HEX300-230HL 能夠在不犧牲速度與靈活性的前提下,提供次微米級的定位準確度,成為業界領先的六自由度運動平台。
設計特點
- 六自由度精密定位:
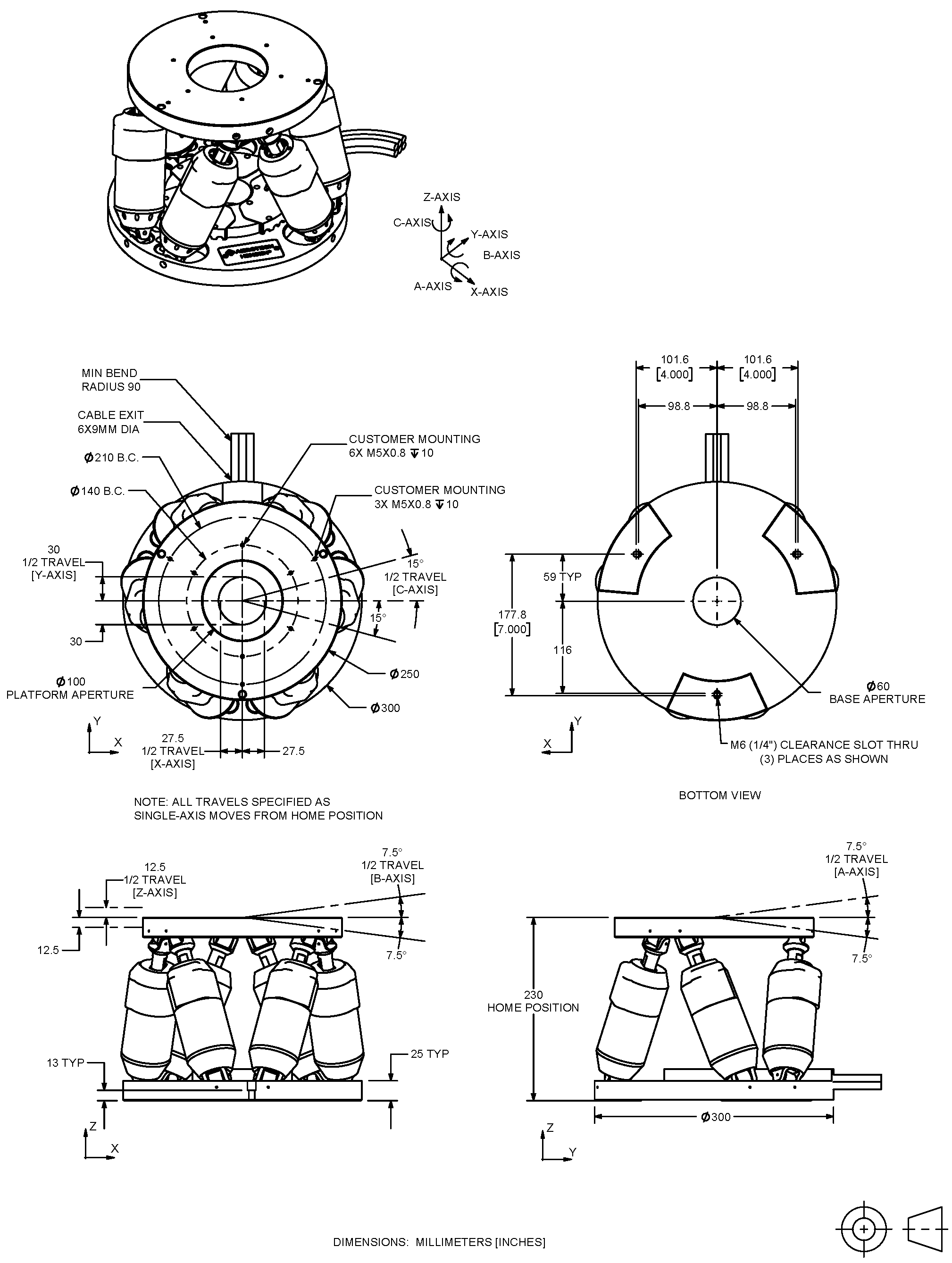
提供 60 mm 的線性行程與 30° 的角度行程,能夠在多軸運動應用中實現極致的靈活性與穩定性。 - 高精度與保證的定位精度規範:
精密機械結構與先進控制技術確保運動過程中的高精度,滿足最嚴苛的工業應用需求。 - 超微級增量運動:
XYZ 方向最小增量運動可達 20 nm,而旋轉軸 (θx, θy, θz) 可達 0.2 µrad,確保高解析度與穩定的運動控制。 - 靈活配置與客製化選配:
可根據應用需求進行多種配置,包括不同的安裝方式、介面規格及特定功能需求。 - 可選擇真空相容設計:
針對同步輻射、半導體製造與太空設備測試等應用,可提供適用於高真空環境的特製版本。 - 強大的控制系統與軟體支援:
採用 Aerotech 的 Automation1 軟體式機器控制器,提供直覺化的操作介面,並支援即時工作與工具座標系統可視化,使操作更精確、更高效。
領先業界的卓越性能
在運動系統的設計與規格中,往往需要在速度與精度之間取得平衡,HEX300-230HL 憑藉其高速運動能力與次微米級精度,消除了這種應用規格上的妥協;Aerotech HexGen Hexapod 是市場上唯一能夠提供低於 5 µm 保證定位精度的 Hexapod,確保滿足最嚴苛的精密運動需求。
卓越結構設計
HEX300-230HL 採用六組高精度支桿驅動,每組均由高精密預載軸承、滾珠螺桿、與驅動元件組成,與傳統 DC 有刷伺服馬達的競爭產品不同,HEX300-230HL 採用 AC 無刷無槽 (slotless) 伺服馬達,大幅提升設備壽命與運行性能,透過將 AC 無刷伺服馬達直接耦合至滾珠螺桿,其剛性與定位精度顯著提高,並可實現更精細的最小增量運動 (XYZ 方向 20 nm,θxθyθz 方向 0.2 µrad);此外,專門設計的支桿關節降低摩擦,提升整體系統剛性,進一步增強 Hexapod 的穩定度與動態性能。
靈活的設計與應用
HEX300-230HL 的模組化設計提供極高的靈活性與客製化選項,使用者可根據特定應用需求調整平台與底座,例如:自訂安裝模式、介面規格、及附加功能;其平台中央開孔直徑達 100 mm,底座開孔直徑為 60 mm,底部開放結構,支援更便捷的工件操作,底座的安裝孔設計相容於英制與公制光學桌,確保高度相容性。
可選擇真空相容設計
針對要求高潔淨度與低氣體排放的應用,如同步輻射樣品與光學操作、半導體製造與檢測,或衛星感測器測試等,Aerotech 提供可選配的真空相容 (Vacuum-Compatible) 設計,確保設備可穩定運行於高真空環境。
強大的控制系統與軟體
HEX300-230HL 由 Aerotech 的 Automation1 軟體式機器控制器 (Software-Based Machine Controller) 駕馭,該控制器累積多年複雜運動學應用經驗,使用者能夠透過直覺化介面輕鬆編程與操控 Hexapod,並可實現即時運動可視化與多座標系統運作,提升操作靈活性;此外,Aerotech 提供的 免費 HexGen Sizing 軟體,可讓使用者模擬 Hexapod 的可用行程與工作空間,確保系統配置符合需求。
HEX300 產品規格


尺寸
HexGen HEX300-230HL

訂購資訊
編碼器回授選項 (Feedback, 必選)
在 Hexapod 精密運動控制系統中,回授選項決定了如何量測位置、速度或角度,以便系統能夠進行閉迴路控制(Closed-loop Control)。-E1: 增量編碼器 (Incremental encoders)
-E2: 絕對編碼器 (Absolute encoders)
性能等級 (Performance Grade, 選配)
-PL3: 基礎性能 (Base performance)
-PL4: 超高精度性能,ULTRA (Ultra high-accuracy performance, ULTRA)
整合服務 (Integration, 必選)
-TAS: 系統級測試整合 (Integration - Test as system)
-TAC: 零件級測試整合 (Integration - Test as components)
資源下載
HEX300-230HL Datasheet Download >
Video | Aerotech HexGen Hexapod Six DOF Positioning System >





