SBIR 104i 高解析度差動溫度計
洞悉細微溫差,為您呈現無與倫比的溫度量測精確度
SBIR 104i 高解析度差動溫度計在提供高準確度溫度量測的同時,也兼顧了操作上的便利性;這款儀器配備了兩支超穩定的 iProbe 溫度感測器,能夠同步顯示兩個測量點的絕對溫度,以及這兩個點之間的溫度差異;更值得一提的是,104i 溫度計提供了四種不同的絕對溫度量測範圍,從 -40°C 一直到 175°C,足以應對多樣化的應用需求。

產品特色
- iProbe 先進探頭設計:
獨特的 iProbe 是一種智慧型溫度感測器,它能夠獨立於 104i 系統進行校正。當需要重新校正時,您只需要更換一支最近校正過的探頭,完全不需要特殊的儀器,也不會造成測試現場的任何停機時間,讓校正作業變得輕鬆又快速。 - 卓越的準確度與穩定性:
透過採用超穩定且高靈敏度的 iProbe,這款溫度計能夠提供優於 0.010°C 的長期準確度和極佳的重複性,確保您量測結果的可靠與精確。 - 便捷的電池供電:
由於搭配的網際網路筆記型電腦支援電池運作,即使在沒有電源插座的環境下,系統也能夠在單次充電後持續使用數小時,大幅提升了儀器的便攜性和使用的彈性。 - 輕鬆實現遠端監控:
系統內建網路伺服器,讓您能夠從同一網路上的任何電腦遠端監看溫度數據。此外,我們還提供了專用的客戶端應用程式,讓其他電腦也能遠端存取 104i 溫度計的所有功能,方便進行集中管理和監控。 - 整合多功能網際網路筆記型電腦:
104i 溫度計巧妙地結合了現代化的網際網路筆記型電腦與電子介面模組,這個介面模組專責與 iProbe 進行高效的溝通,為使用者帶來直觀的操作體驗和強大的資料處理能力。 - 即時掌握溫度變化:
104i 不僅能即時顯示當前的溫度數值,還能將一段時間內的溫度讀數以圖形化的方式呈現,幫助您輕鬆分析溫度的變化趨勢並進行詳細的資料追蹤。
選購項目
- IEEE Std. 488 介面 (GPIB):
透過符合 ANSI/IEEE Std. 488.1-1987 標準的介面,您可以利用電腦來控制所有的黑體爐、校正設備、照明裝置以及目標輪等功能,進一步實現系統的自動化操作與整合應用。 - 彈性的 iProbe 選擇:
系統可以連接無限多個經過不同校正的 iProbe,並將其作為 104i 的校正標準,雖然系統在設計上支援大量的 iProbe,但考量到實際操作,一次最多可以插入並使用兩個探頭進行校正工作;這種彈性的設計讓使用者能夠根據不同的量測需求,選擇最適合的校正參考標準。
請注意:104i 支援數量不受限制的校正 iProbe 作為標準使用,但同一時間僅能連接並使用 2 個進行校正。
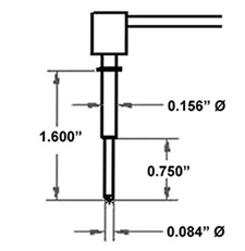
產品尺寸

技術規格
|
規格項目 |
數值 |
|
顯示解析度 |
0.0001°C,能夠清晰呈現極微小的溫度變化。 |
|
準確度 |
±0.0005°C (環境溫度 25°C 時) 或 0.007°C,取數值較大者; |
|
穩定性 |
在 -40°C 至 0°C 的範圍內為 0.00025°C; |
|
溫度量測範圍 |
|
|
- 標準溫度範圍 A |
0°C 至 100°C,適用於廣泛的常溫應用。 |
|
- 可選範圍 B |
0°C 至 175°C,擴展了高溫量測的能力。 |
|
- 可選範圍 C |
-40°C 至 100°C,涵蓋了低溫量測的需求。 |
|
- 可選範圍 D |
-40°C 至 175°C,提供最全面的溫度量測範圍。 |
|
溫度感測器 |
採用參考級熱敏電阻,這種高品質的感測元件確保了量測的準確性和長期使用的可靠性。 |
|
感測器線纜長度 |
標準長度為 5 英尺。 |
|
感測器延長線纜 |
提供多種不同長度的延長線纜供您選擇,讓儀器的應用更具彈性,能夠應對各種不同的測試環境。 |
|
尺寸 |
11.00 英寸 x 8.00 英寸 x 3.13 英寸,機身設計緊湊。 |
|
重量 |
約 7.5 磅。 |
|
線路電壓 |
可選擇 100/120/220/240V 的電壓輸入,並支援 50/60 Hz 的頻率,能夠適應世界各地不同的電力系統。 |
為了確保您選購到最符合需求的型號,請與奧創系統聯繫。
影音下載
資源下載
Differential Thermometer Datasheet >
延伸閱讀:深入探索SBIR紅外線測試技術與應用實例
為了協助您更全面地理解SBIR紅外線測試解決方案的卓越性能及其背後的堅實技術基礎,我們精心準備了一系列專業技術文章。這些資源不僅闡述了關鍵技術的原理與細節,更展示了SBIR在提升量測精度與系統可靠性方面的持續努力與實際成果。歡迎您深入閱讀,發掘更多關於SBIR解決方案如何滿足您在不同應用領域的嚴苛需求的實用資訊:
- 先進輻射校準與黑體技術應用:
深入解析SBIR在增強型大面積黑體、高發射率塗層及精密溫控演算法等領域的最新研發成果,及其在驅動研發、半導體及工業自動化整合測試方案中的關鍵角色。 - 紅外線測試系統核心組件詳解:
全面介紹構成精密紅外線測試系統的基礎組件,包括各類型黑體、紅外線準直儀與目標輪的技術原理、選型考量及實際應用。 - 輻射溫度量測:概念解析與誤差校正方案:
探討輻射溫度的基本概念、影響量測準確性的關鍵因素、常見誤差來源分析以及有效的校正與解決方案。 - 紅外線技術導論與熱影像測試基礎:
為您建立紅外線物理學、熱影像原理及相關測試方法學的扎實基礎,助您更好地理解和應用紅外線檢測技術。
透過這些深度解析,我們希望能讓您對SBIR解決方案的技術實力與應用價值有更透徹的認識,並為您的專案選擇提供有力的技術支援。