雷達系統測試(三):雷達系統關鍵射頻功率量測:脈衝、雜訊與電子反制技術剖析
隨著為現代應用開發的新技術,不斷推動民用和軍用雷達系統的設計與性能標準,雷達技術正經歷著持續的演進,若排除 2020 年 COVID-19 的影響,過去十年來,民航客運量每年增長 4% 至 8%,同時軍用雷達系統也面臨持續的壓力,需要應對日益複雜的威脅,在雷達系統不斷演進的背景下,用於測試這些先進雷達技術的儀器,其面臨的要求從未如此嚴苛,儘管測試需求會因雷達系統的類型而異,但 射頻功率量測 (RF power measurements) 始終是驗證雷達性能不可或缺的核心環節。
本文將深入概覽對於現今雷達系統正常運作至關重要的 射頻功率量測,並介紹相關測試設備的最新技術發展。
測距儀與都卜勒 VHF 全向信標雷達
測距儀 (Distance Measuring Equipment,DME) 作為一種關鍵的導航輔助工具,能協助飛行員精確計算機載 DME 與地面站之間的視線距離,也就是所謂的斜距 (slant range),其運作原理是,機載 DME 首先會在指定頻道上向地面站發送一個詢問脈衝,其頻率範圍通常落在 960 MHz 至 1215 MHz 之間,脈衝間距和載波頻率均由頻道分配精確決定,地面 DME 在接收到訊號後,會於一個已知的延遲時間後向飛機回送一個應答脈衝,但此應答訊號遵循特定的脈衝間距,並在與初始詢問頻段偏移 63 MHz 的頻率上傳輸,DME 航空系統正是透過量測此無線電訊號往返所需的時間,來精算出斜距值,進而輔助空中交通管制執行各項職責,例如規劃飛行路徑、飛機下降、執行降落程序以及滿足其他導航需求。
DME 已廣泛應用於全球航空業,並嚴格遵循由 航空無線電技術委員會 (TCA)、國際民航組織 (ICAO) 和 歐盟航空安全局 (EASA) 等專業機構所制定的國際標準。
在軍事應用中,都卜勒 VHF 全向信標雷達 (Doppler VHF Omnidirectional Radar,DVOR) 系統通常與 DME 搭配使用,DVOR 能夠向飛機提供精確的方位角或方向資訊,當兩者結合時,飛行員便能獲得相對於地面站的完整二維座標,軍機飛行員則可利用與軍用 戰術空中導航系統 (Tactical Air Navigation,TACAN) 共站的 VOR 站台,來接收類似民用 VOR/DME 地面站的導航資料,此一組合被稱為 VORTAC。
DME/DVOR 射頻量測
對於包含 DME/DVOR 在內的大多數雷達系統,其量測涵蓋兩個核心項目:射頻脈衝保真度 (即脈衝的實際形狀) 與 射頻脈衝序列間距 (即脈衝間的時序關係),為了能精確地重現脈衝訊號的真實形狀,量測電路的響應速度必須等於或快於脈衝振幅的變化速率,在多數情況下,最劇烈的變化率發生在脈衝的 上升邊緣 (rising edge) 或 下降邊緣 (falling edge),採用二極體設計的 射頻峰值功率感測器,其內部在平滑電容器兩端使用一個低阻抗負載,此設計使得電容器在射頻振幅下降時能夠極速放電,此種特性再結合極小的平滑電容,便讓峰值功率感測器得以實現極快的 上升時間。
目前,頂尖功率量測儀器在 上升時間 的技術水準已達到 3 奈秒 (ns),如此快的響應速度,是確保能夠對 封包功率 (envelope power) 及其他關鍵指標進行可靠且精確追蹤的基礎,以滿足先進雷達系統不斷演進的複雜需求,為了簡化儀器使用者的操作,許多現代射頻功率計與感測器均提供自動化的脈衝量測功能,其參數套件涵蓋了完整的脈衝特性分析:
• 脈衝寬度 (pulse width)
• 上升時間 (rise time)
• 下降時間 (fall time)
• 週期 (period)
• 脈衝重複頻率 (Pulse Repetition Frequency,PRF)
• 工作週期 (duty cycle)
• 關閉時間 (off time)
• 波形平均功率 (waveform average)
• 脈衝平均功率 (pulse average)
• 脈衝峰值功率 (pulse peak)
• 過衝 (overshoot)
• 下垂 (droop)
• 脈衝頂部功率 (pulse top power)
• 脈衝底部功率 (pulse bottom power)
• 邊緣延遲 (edge delay) (如圖 1 所示)

圖 1:脈衝訊號及其相關的脈衝量測參數
由於 DME/DVOR 脈衝之間的間距是經過精密設計的,維持這個間距對系統功能而言至關重要,因此,能夠精確量測脈衝時序是另一項關鍵,卓越的 時間解析度,目前功率量測儀器的最新技術水準為 100 皮秒 (picoseconds),不僅能驗證脈衝間的間距是否符合規範,更能實現更穩定的觸發,並揭示那些在較低解析度下可能被遮蔽或平均掉的波形細節,如下方圖 2a 所示,其採用具備 100-ps 時間解析度 的先進測試儀器,精確地揭示了脈衝初始處較高的 過衝 及隨後的些微 振鈴 (ringing) 現象;相較之下,右側的截圖 (圖 2b) 由於使用了時間解析度較差的儀器,完全未能捕捉到這些關鍵的瞬態細節。

圖 2:使用 100-ps 時間解析度揭示的過衝與振鈴現象 (a),以及被解析度較差的設備所遮蔽的結果 (b)
採用具備頂尖性能的測試設備在此至關重要,因為案例中的 過衝 現象若未被正確識別與處理,可能會使雷達的 功率放大器 進入非線性的 壓縮 (compression) 區,或因飽和而降低前端雷達接收器的靈敏度,進而影響系統的整體性能。
敵友識別與次級監視雷達
一個與之相關的雷達應用,涉及 敵友識別 (Identification Friend or Foe,IFF) 雷達與 次級監視雷達 (Secondary Surveillance Radar,SSR) 系統,IFF 為軍方使用的一種雷達識別系統,其技術原理後來促成了 SSR 的誕生,專門用於商業航空的空中交通管制,SSR 的功能是作為主要雷達系統的補充,而非取代。
主要雷達系統的運作方式是,由地面天線發射訊號,此脈衝從飛機表面反射回來後,再次由地面天線捕獲 (圖 3),主要雷達透過量測初始發射與偵測到反射訊號之間的時間差,來計算出飛機的方位和距離,這是一種被動式的探測;相較之下,SSR 則依賴飛機上裝備的詢答機進行主動式通訊,此詢答機如同一組無線電收發器,會接收來自詢問器 (通常是與 SSR 和主要雷達共站的地面站) 發出的詢問訊號,以請求特定資訊,詢答機接著會發射一個包含所請求資訊的編碼訊號作為回應,因此,SSR 能提供比主要雷達更詳盡的資訊,例如精確的 壓力高度 和 飛機識別碼,然而,也因為 SSR 系統同時包含了詢問器和詢答機兩個子系統,兩者都必須經過徹底測試,才能確保整體系統正常運作。

圖 3:主要雷達與 SSR 之間的差異
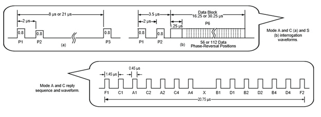
詢問器並非每次都發送相同的詢問訊號,這些波形會根據不同的詢問模式而變化,主要區別在於 P1 和 P3 脈衝之間的間距 (圖 4)。

圖 4:模式 A 與模式 C 的詢問及應答波形範例
每種模式都有其特定用途,並會引發飛機詢答機作出不同的回應,一般而言,詢問訊號可分為三種主要模式:
-
模式 A
此模式專門用於請求飛機的四位數識別碼,模式 A 詢問訊號的 P1 和 P3 時間間隔為 8 μs,詢答機則回送一個由 12 個脈衝組成的應答訊號。 -
模式 C
此模式的目的是獲取以 100 英尺 為增量的 氣壓高度資訊,模式 C 詢問訊號的 P1 和 P3 時間間隔為 21 μs,詢答機則以一個 11 脈衝的應答回應 (其中的 D1 脈衝被省略)。 -
模式 S
此模式用途更為廣泛,其詢問訊號的 P1 和 P3 時間間隔為 3.5 μs,其特性也與前兩種模式顯著不同,模式 S 的訊號由一個帶有 P1 和 P2 脈衝的 前導碼 (preamble),以及一個 相位調變的 56 位元或 112 位元資料區塊 所構成,其應答訊號也同樣包含一個四脈衝的 前導碼 和一個 56 位元或 112 位元資料區塊。
IFF/SSR 射頻量測
除了前述的基本脈衝量測,工程師與技術人員還必須深入分析波形中的多個脈衝,例如圖 5a 所示的 IFF 詢問應答訊號,以確保訊號串中所有脈衝的 間距 和 振幅位準 都符合規範,最先進的射頻功率量測工具為此提供了 同步多脈衝分析 功能,如圖 5b 所示,儀器能在一個便捷的顯示畫面中,同時列出多個脈衝的關鍵參數,包括每個脈衝的 起始時間、脈衝持續時間、脈衝 (頂部) 平均功率 以及 脈衝間時間。
圖 5:IFF 詢問應答波形 (a) 及其相關的脈衝參數 (b)
由於雷達系統普遍需要極高的射頻功率,系統內的 功率放大器 (Power Amplifiers,PA) 長期承受著巨大的運作壓力,考量到飛航安全,其運作的可靠性格外重要,因此對雷達或 放大器 進行長期監控是不可或缺的,舉例來說,功率放大器 在長時間運作下產生的熱效應,可能導致輸出功率出現 下垂 (droop) 的緩慢衰減,甚至在極端情況下發生訊號完全中斷。
傳統的功率量測儀器在擷取資料時存在著根本性的限制,它們僅能捕獲短時間 (通常小於 1 秒) 的資訊,隨後就必須暫停擷取,以進行內部資料處理和傳輸,這種傳統的「擷取-處理-傳輸」序列式作業流程,會在處理期間產生量測盲區,導致來自 待測物 (DUT) 的重要資料或偶發事件在這些間隙中被遺漏,此外,捕獲的樣本被儲存在一個受限於儀器內部記憶體大小的緩衝區中,一旦緩衝區滿載,資料就必須傳輸至電腦,這也限制了單次可觀測的時長,使得儀器可能錯過發生在觀測視窗之外的波形異常現象。
業界的儀器則採用即時處理架構來克服此問題,確保資料擷取毫無間斷,並能進行長時間週期的量測,具備即時、無間隙資料擷取功能的感測器,例如 Boonton 4500C 峰值功率分析儀 和 RTP5000 系列即時峰值 USB 功率感測器,是透過創新的平行處理方法來實現此領先性能,其核心技術是將波形樣本的擷取與處理平行化,而非傳統的序列式步驟,結果是資料擷取永不中斷,幾乎沒有任何資訊會遺失,再搭配功能互補的軟體工具,工程師能以前所未有的速度擷取射頻功率量測,並擁有近乎無限的量測視窗,例如,透過設定僅即時擷取最重要的量測值,如 最小、平均和最大功率,以及 起始時間 和 封包持續時間,便能大幅減少緩衝區的資料累積量,從而能夠收集和處理幾乎無限數量的連續封包樣本,確保不會錯過任何關鍵的波形異常。
雜訊雷達技術
在空中交通管制等應用中,確保雷達訊號能被清晰地偵測與處理是首要任務,然而,在軍事領域,隨著全球威脅日益增長,隱蔽、匿蹤的作戰行動反而需要使用難以被偵測的雷達訊號,雜訊雷達技術 正是為此而生,它發射的並非固定格式的脈衝,而是由 高頻雜訊產生裝置 所產生的隨機波形,雜訊雷達技術 滿足了軍事上降低雷達被攔截機率 (Low Probability of Intercept, LPI) 的特定需求,同時也能在密集、擁擠的電磁環境中運作時,有效限制與其他雷達系統間的相互干擾,要成功實現雜訊雷達,需要對其訊號鏈中的放大器等關鍵元件進行極為先進的設計。
雜訊雷達技術射頻量測
雜訊雷達波形的一個顯著特徵是具有很高的 峰均功率比 (peak-to-average power ratio),也稱為 波峰因數 (crest factor),這個參數描述了訊號峰值功率與平均功率的比值,透過持續監測雷達放大器輸入與輸出訊號的 波峰因數,工程師或技術人員可以有效地判斷放大器是否進入了非線性的 壓縮 狀態,其判斷依據是當輸入與輸出的 波峰因數量測 值出現顯著差異時,便表示放大器已飽和,一個被 壓縮 的放大器會產生額外的頻率諧波,這在 雜訊雷達技術 應用中會使其更容易被敵方偵測,同時也會扭曲原始訊號,使己方接收雷達更難進行有效的相關性處理。
峰值射頻功率感測器雖然可以量測訊號的 波峰因數,但測試儀器本身需要具備足夠的 影像頻寬 (Video Bandwidth,VBW),才能夠精確地追蹤高動態的雜訊訊號,這與前述量測脈衝所需的快速上升時間是相似的道理,最先進的射頻功率量測設備提供高達 195 MHz 的 VBW,這是目前業界可用的最寬 VBW,足以精確地描繪當今具備嚴苛通道使用需求的複雜無線訊號特性。
單一的 波峰因數 量測僅提供一個最大值的資料點,為了得到更全面的分析,觀察 互補累積分布函數 (Complementary Cumulative Distribution Function,CCDF) 顯得格外重要,CCDF 曲線能夠統計性地顯示訊號功率超過其平均功率位準特定分貝 (dB) 值的發生機率,換句話說,它呈現了不同大小 波峰因數 的統計分佈,最先進的射頻功率量測設備透過提供包括 CCDF 在內的統計分析工具,讓工程師能對複雜調變訊號進行深度特性分析,如圖 6 所示,圖中同時繪製了放大器輸入 (CH1) 和輸出 (CH2) 的 CCDF 曲線,可以清楚看到,輸出訊號 (CH2) 的曲線向左偏移,其 波峰因數 顯著降低,這明確地指出該放大器的輸出已處於嚴重的 壓縮 狀態。

圖 6:CCDF 曲線顯示放大器輸出 (CH2) 已被壓縮
電子反制雷達
當雷達訊號無法透過雜訊雷達等技術進行隱藏時,電子反制 (Electronic Countermeasure,ECM) 技術便被用來主動欺騙或干擾敵方的雷達偵測,其中一種常見的技術,就是利用 可變脈衝重複頻率 (variable PRFs),由於許多傳統雷達系統被設計為僅能識別符合其預設協定的訊號,因此,透過動態地改變 PRF,可以有效地混淆這些標準的雷達接收器,舉例來說,改變 PRF 可以使敵方雷達無法正確解算目標的距離或速度,從而達到欺騙的效果。
ECM 射頻量測
為了評估 ECM 系統的有效性,射頻功率量測儀器必須具備能夠追蹤並量化 PRF 變化範圍的能力,最先進的設備能夠精確量測並在顯示器上直觀地呈現這種變化,透過利用專門的 PRF 範圍量測工具,工程師可以快速驗證 ECM 訊號的跳變或抖動是否符合設計規格,圖 7 展示了一個現代化的儀器介面,其中同時顯示了單個脈衝的 PRF 值以及它在一段時間內的完整變化範圍。

圖 7:一個顯示個別與可變 PRF 量測的現代化介面
實現複雜的現代雷達技術
總結來說,先進的雷達系統,無論是 DME/DVOR、IFF/SSR,還是 雜訊雷達技術 與 ECM,都高度依賴能夠提供精確、可靠射頻功率量測的頂尖測試設備,以確保其達到最佳性能,如 Boonton 所提供的功率量測產品等前緣儀器,正是透過提供快速的 上升時間 (3 ns)、全自動化脈衝量測、卓越的 時間解析度 (100 ps)、即時無間隙處理、擴展的量測視窗、寬廣的 VBW (195 MHz)、深入的統計分析、高頻雜訊產生 以及 可變 PRF 量測 等多種關鍵測試工具與功能,來應對這些挑戰,從民用航空到國防軍事應用,工程師與技術人員唯有選擇最先進的射頻功率量測測試設備,才能持續推動雷達技術的發展前沿,應對未來的挑戰。