精準射頻功率量測
剖析 DME/DVOR、IFF/SSR、雜訊雷達與 ECM 測試挑戰
如何解析關鍵脈衝參數,實現無間斷資料擷取與深入訊號分析
為現代應用開發的新興技術,持續推升民用與軍用雷達系統的設計和效能標準,這些進展對於提升飛航安全與國防能力至關重要。若不計 2020 年 COVID-19 的影響,過去十年來,民航客運量每年增長 4% 至 8%,突顯了對更高效、更可靠空中交通管理系統的需求;同時,軍用雷達系統則面臨持續的壓力,需要應對日益複雜的威脅,驅使其不斷創新。
隨著雷達系統不斷演進,用於測試這些先進雷達技術的儀器設備,其所承受的要求也前所未有地嚴苛,精密的量測成為確保系統效能與可靠度的基石。儘管測試需求會因雷達系統類型而異,射頻功率量測始終是驗證雷達效能不可或缺的恆定要素,其準確性直接影響雷達系統的偵測範圍、目標解析度和整體運作效率。本文將概述對於現今雷達系統正常運作至關重要的射頻功率量測,並探討相關測試設備的最新技術發展,以及這些技術如何協助工程師應對挑戰。
測距儀 (DME) 與都卜勒 VHF 全向信標雷達 (DVOR)
在航空產業中,精確導航是確保飛行安全的基礎,測距儀 (DME, Distance Measuring Equipment) 作為一種關鍵的導航輔助設備,協助飛行員判斷航空器上裝設的 DME 與地面設備之間的視線距離,特別是斜距。其運作原理為,機載 DME 首先會在指定頻道上向地面站發送一個詢問脈衝,此脈衝的頻率範圍通常在 960 MHz 至 1215 MHz 之間,脈衝間隔和載波頻率均由頻道分配決定,確保訊號的獨特性與可識別性。地面 DME 接著會在一個已知的精確延遲後,向航空器設備發送一個應答脈衝,然而,此訊號遵循特定的間隔,並以與初始詢問頻段偏移 63 MHz 的頻率發射,這種頻率偏移設計有助於避免訊號干擾。
無線電訊號往返地面站所需的時間,被 DME 航空系統用來精確計算斜距值,此數值對於空中交通管制單位執行其職責至關重要,例如規劃最佳飛行路徑、引導航空器安全下降、執行精確著陸程序以及滿足其他導航需求。DME 的應用遍及整個航空產業,並且必須嚴格遵循由國際專業機構所制定的特定標準,例如美國航空無線電技術委員會 (RTCA, Radio Technical Commission for Aeronautics)、國際民航組織 (ICAO, International Civil Aviation Organization) 及歐盟航空安全局 (EASA, European Union Aviation Safety Agency),以確保全球互通性與安全性。
雖然單獨設有 DME 應答器的地面站是被允許的,然而,此設備通常會與其他地面技術整合運作,以向航空器提供更全面的二維導航資訊,提升導航的精準度與可靠性。例如,DME 與都卜勒 VHF 全向信標 (DVOR, Doppler VHF Omnidirectional Range) 發射器共置於單一地面站,便是一種常見且高效的組合方式。在成對的頻率範圍內運作的 DME/DVOR 系統,能夠同時判斷空中詢問器相對於地面站的斜距和方位角,提供飛行員完整的水平面位置資訊。針對軍事應用,軍事飛行員可以透過使用與軍用戰術空中導航系統 (TACAN) 共置的 VOR 站台,接收與民用 VOR/DME 地面站類似的二維導航資料,此整合系統通常被稱為 VORTAC,為軍事行動提供必要的導航支援。
DME/DVOR 射頻量測
對於大多數雷達系統,包括前述的 DME/DVOR,其射頻量測主要包含兩種類型,分別是射頻脈衝保真度(亦即脈衝形狀的準確性)以及射頻脈衝序列間隔的精確度,這兩者對於雷達系統的效能有著決定性的影響。為了能夠精確地量測一個脈衝訊號的形狀,量測電路的響應速度必須等於或甚至快於脈衝振幅的變化速率;在許多實際情況中,最大的振幅變化速率通常發生在脈衝的上升邊緣或下降邊緣。
以二極體為基礎的射頻峰值功率感測器,其設計特點是在平滑電容兩端使用低阻抗負載,這樣的配置使得電容在射頻振幅下降時能夠迅速放電;這種快速放電的特性,再結合非常小的平滑電容值,使得峰值功率感測器得以實現極快的上升時間。目前,在功率量測儀器領域,最先進的上升時間已可達到 3 奈秒 (ns),如此高速的反應能力有助於對封包功率以及其他關鍵指標進行可靠且精確的追蹤,從而滿足先進雷達系統不斷演進且日趨複雜的應用需求。為了進一步簡化儀器使用者的操作流程,許多現代的射頻功率計與感測器均提供自動化脈衝量測功能,這些功能可自動計算並顯示一系列重要參數,例如:脈衝寬度、上升時間、下降時間、週期、脈衝重複頻率 (PRF)、工作週期、關閉時間、波形平均功率、脈衝平均功率、脈衝峰值功率、過衝、脈衝頂部下降 (droop)、脈衝頂部功率、脈衝底部功率以及邊緣延遲(參見圖 1),讓使用者能更便捷地獲取詳細的脈衝特性資訊。

圖 1:脈衝訊號及相關脈衝量測。
DME/DVOR 系統中脈衝之間的間隔是經過精密設計的,維持此一特定間隔對於系統的正常運作至關重要,因此,能夠精確地量測脈衝時序就顯得極為關鍵。擁有卓越的時間解析度——目前功率量測儀器在此方面最先進的技術已達到 100 皮秒 (ps)——不僅能夠有效地確認脈衝之間是否維持正確的間隔,還能夠實現更為穩定的觸發機制,並且能揭示出一些原本可能因為解析度不足而被掩蓋的微小波形細微差異。
如下方圖示所示,圖 2a 的結果是運用一款具有 100 ps 時間解析度的先進測試儀器所獲得,該儀器精確地顯示了在脈衝起始位置一個較高的過衝現象,以及隨後出現的一些振鈴效應;與此形成對比的是右方的螢幕截圖(見圖 2b),由於其採用的是一款時間解析度能力較差的儀器,因而未能成功捕捉到關鍵的過衝和振鈴現象。採用具備領先效能的測試設備是極為重要的,因為在此特定的案例中,如果未能對此過衝現象給予適當的考量與處理,它很可能會導致雷達放大器進入壓縮狀態,或者降低雷達接收器的靈敏度,進而影響整個雷達系統的效能。

圖 2:以 100 ps 時間解析度顯現的過衝與振鈴 (a),此現象被時間解析度較差的測試設備所掩蓋 (b)。
敵友識別 (IFF) 雷達與次級監視雷達 (SSR)
另一項與前述技術相關的重要雷達應用,涉及敵友識別 (IFF, identification friend or foe) 雷達以及次級監視雷達 (SSR, secondary surveillance radar) 系統,這些系統在現代空中交通管理與防禦中扮演著不可或缺的角色。IFF 原為軍方採用的一種透過雷達進行目標身份識別的系統,其成功應用進而促成了 SSR 技術的誕生,專門用於民用航空的空中交通管制。
SSR 的主要功能是輔助初級雷達系統運作,初級雷達的訊號首先由地面天線發射出去,當雷達脈衝接觸到航空器後會被反射回來,並再次由地面雷達天線捕獲(其基本原理可參考圖 3)。初級雷達透過精確量測初始發射訊號與偵測到反射雷達訊號之間的時間間隔,來收集航空器的方位和距離等基本資訊。然而,初級雷達完全仰賴訊號的反射,而 SSR 的運作則取決於航空器上是否裝備了應答器。此應答器如同一個無線電接收器和發射器的配對組合,它會從詢問器(通常是指與 SSR 和初級雷達設備共置的地面站)接收詢問訊號,該詢問訊號的目的是請求特定的飛行資訊;應答器在接收到詢問後,隨即會發射一個包含所請求資訊的編碼訊號作為回應。
相較於初級雷達,SSR 能夠提供關於航空器或目標的額外且更為詳細的資訊,例如精確的氣壓高度和獨特的識別碼。然而,由於 SSR 系統的運作同時運用了地面詢問器和裝備應答器的航空器這兩個子系統,因此,兩個子系統都必須經過徹底而嚴謹的測試,以確保其整體能夠正常且可靠地運作。

圖 3:初級雷達與 SSR 之間的差異。
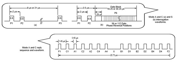
詢問器並非在每一次操作中都發送完全相同的詢問訊號,這些發射的波形可以根據需求而變化,並且依照其 P1 和 P3 脈衝之間的間隔差異,被劃分成多種不同的模式(如圖 4 所示)。每種模式都具有其特定的設計用途,並因此會從航空器的應答器引發不同類型的回應。一般而言,詢問訊號主要可以被區分為以下三種主要模式:
- 模式 A (Mode A):
此模式主要用於請求航空器的識別碼,在模式 A 的詢問訊號中,其 P1 和 P3 脈衝的時間間隔設定為 8 µs,而應答器則會發送一個包含 12 個脈衝的應答訊號。 - 模式 C (Mode C):
此模式的主要目的是收集航空器的飛行高度資訊,其量測精度可以達到以 100 英尺為單位增量,在模式 C 的詢問訊號中,其 P1 和 P3 脈衝的時間間隔設定為 21 µs,應答器則會以一個包含 11 個脈衝的應答訊號來回應(在此模式下,D1 脈衝會被省略)。 - 模式 S (Mode S):
此模式可用於多種不同的目的,在模式 S 的詢問訊號中,其 P1 和 P3 脈衝之間的時間設定為 3.5 µs。與前述兩種模式在特性上有所不同,模式 S 的訊號結構是由一個包含 P1 和 P2 脈衝的前導碼,以及一個經過相位調變的 56 位元或 112 位元資料區塊所組成;相對應地,應答器的應答訊號則包含一個四脈衝前導碼和一個 56 位元或 112 位元資料區塊。

圖 4:模式 A 和 C 詢問與應答波形範例。
IFF/SSR 射頻量測
除了前文已經討論過的基本雷達量測參數之外,工程師和技術人員在進行 IFF/SSR 系統的效能評估時,還需要對一個完整波形內的多個脈衝進行仔細的檢視與分析,例如圖 5a 中所描繪的 IFF 詢問應答訊號中的脈衝序列,這樣做的目的是為了確保所有脈衝都具備適當的脈衝間隔和正確的振幅位準,這對於解碼的準確性至關重要。目前最先進的射頻功率量測工具已能提供同步多脈衝分析的能力,允許對複雜脈衝序列進行全面評估;舉例來說,如圖 5b 所示,這類工具能在一個便捷且整合的顯示介面中,清晰列出各項重要的脈衝參數,其中包括每個脈衝的起始時間、脈衝持續時間、脈衝(頂部)平均功率,以及相鄰脈衝之間的相對時間等關鍵數據。

圖 5:IFF 詢問應答 (a) 及各種脈衝相關參數 (b)。
由於雷達系統在其運作過程中通常需要相當高的射頻功率,這使得系統內的功率放大器 (PA) 承受著巨大的運作壓力與潛在的損耗風險,再加上考量到系統的可靠運作對於飛航安全等重要議題具有至關重要的影響,因此對雷達系統及其內部放大器進行長期且持續的監測就顯得極為關鍵。舉例來說,功率放大器在長時間運作下產生的熱效應,可能會導致其輸出功率出現下降 (droop) 的現象,或在某些更嚴重的情況下,甚至可能發生訊號完全中斷的問題。
傳統的功率量測儀器在擷取資訊時,通常僅能在極短的時間範圍內(一般小於1秒)進行操作,隨後便必須暫停擷取,以進行內部資料處理和後續的資料傳輸作業。這些採用標準處理技術的傳統功率量測設備,其典型運作方式是沿著待測波形持續收集足夠數量的取樣點,直到能夠在儀器的顯示器上重建出完整的訊號軌跡為止;一旦收集到足夠資料,擷取作業便會被迫中止,以便儀器將所收集到的原始取樣點轉換為可視的軌跡圖形,並且在這些循序的處理步驟全部完成之前,新的量測週期無法重新啟動。這樣的運作模式導致在儀器進行內部處理的週期期間,來自待測物 (DUT) 的許多重要資料和瞬間發生的關鍵事件將會遺失,無法被完整記錄。此外,沿著波形所擷取的這些取樣點資料,是被儲存在一個內部緩衝區當中,而此緩衝區的容量則受到功率計或感測器本身記憶體大小的限制;一旦此緩衝區的儲存空間達到其完整容量上限,所累積的資料就必須傳輸到使用者的個人電腦中。這種緩衝區大小的先天限制,直接導致了儀器能夠連續觀測訊號的時間視窗相當短暫,任何發生在此觀測視窗之外的波形現象或異常都可能會因此而被遺漏,造成量測不完整。
針對傳統儀器的不足,業界領先的量測儀器,例如 Boonton 4500C 峰值功率分析儀以及 RTP5000 系列即時峰值 USB 功率感測器,能夠實現即時處理射頻量測資料,徹底解決了資料擷取過程中可能出現間斷的問題,並且能夠在相當長的連續時間週期內提供穩定且不間斷的量測結果。

這些具備即時、無間斷資料擷取功能的感測器,之所以能夠達到如此領先的效能,關鍵在於它們採用了一種創新的處理方法論,取代了傳統的序列式訊號處理技術。這些先進的方法並非被動等待序列處理步驟逐一完成,而是在訊號擷取的同時,以平行的方式同步擷取與處理波形取樣點;如此一來的直接結果是,資料擷取作業從未真正停止過,因此幾乎不會有任何來自待測物的原始資訊在處理過程中遺失。透過將這些先進硬體與功能互補的專用軟體工具結合使用,工程師們能夠以過去無法比擬的速度擷取射頻功率量測資料,並且顯著延長有效的量測時間視窗。舉例而言,透過設定僅即時擷取那些使用者最為關注的關鍵量測值(例如最小功率、平均功率和最大功率讀值,以及訊號起始時間和封包持續時間等),可以大幅減少儀器內部緩衝區中所累積的原始資料量,進而有效降低需要傳輸到個人電腦的資料總量。目前最先進的技術賦予了儀器這種收集和處理來自幾乎無限數量的連續訊號封包中之取樣點的能力,同時確保不會遺漏任何微小但至關重要的波形異常現象。
雜訊雷達技術
在繁忙的空中交通管制領域,雷達訊號能否被準確偵測並進行有效處理,是確保飛行安全至關重要的環節,然而,隨著全球潛在威脅情勢的日益增加與複雜化,有時執行隱蔽性、著重於匿蹤效果的特殊軍事或情蒐行動時,便需要採用不易被偵測的雷達訊號技術。雜訊雷達技術正是在此背景下應運而生,它發射的並非固定模式的脈衝,而是通常由高頻雜訊產生裝置所精心建立的隨機波形;此技術能夠有效滿足軍事領域對於降低雷達訊號被敵方攔截機率的特定需求,同時也能夠在密集、擁擠的電子作戰環境中運作時,有效限制與其他雷達系統之間可能發生的相互干擾。雜訊雷達技術的成功實施與效能發揮,有賴於其系統內部各項關鍵組件的先進設計,例如高性能的放大器等。
雜訊雷達技術射頻量測
雜訊雷達所使用的雜訊波形,其一個顯著特性是具有很高的峰均功率比 (PAPR, peak-to-average power ratio),這個參數也常被稱為波峰因數,對於評估訊號品質和放大器效能至關重要。工程師或技術人員可以透過持續監測雷達放大器所呈現以及經過放大後的訊號之波峰因數,來有效地確保放大器並未進入非線性的壓縮狀態;當輸入訊號與輸出訊號的波峰因數量測值開始出現明顯差異時,通常即表示放大器已發生壓縮。
一個進入壓縮狀態的放大器會產生非預期的頻率諧波,這些諧波成分在某些雜訊雷達技術的應用場合中,反而可能使得該雷達訊號更容易被偵測到,同時,訊號失真也會使得己方的接收雷達更難以從背景雜訊中獲得有效的目標相關性,進而影響雷達效能。雖然峰值射頻功率感測器本身具備量測訊號波峰因數的能力,然而,測試儀器仍需要擁有足夠寬廣的視訊頻寬 (VBW),才能夠充分且精確地追蹤快速變化的雜訊訊號特性,這與前文所提及對於脈衝訊號上升時間的量測需求是相似的考量。目前,最先進的射頻功率量測設備能夠提供高達 195 MHz 的 VBW——這也是當前市面上所能獲得的最寬廣 VBW,足以精確地描述並分析現今具有嚴苛通道使用需求的複雜無線訊號。
單純的波峰因數量測僅能提供一個單一的資料點,也就是訊號在量測期間出現的最大波峰因數值,因此,若要更全面地了解訊號的功率分佈特性,檢視其互補累積分佈函數 (CCDF) 將能提供更豐富的額外資訊。CCDF 曲線能夠具體顯示出一個訊號的功率值,高於其平均功率位準某一特定 dB 值的時間佔比或發生機率;換句話說,它呈現了特定大小波峰因數出現的頻繁程度;最先進的射頻功率量測設備,例如前述提及的 Boonton 4500C 峰值功率分析儀 和 RTP5000 系列即時峰值 USB 功率感測器,透過內建包括 CCDF 在內的強大統計分析工具,能極大地便利工程師對複雜調變訊號進行特性分析與描述。如圖 6 所示,圖中以兩條 CCDF 曲線分別顯示了某放大器的輸入訊號 (CH1) 和輸出訊號 (CH2) 的功率分佈特性,可以清晰觀察到,輸出訊號的 CCDF 曲線相較於輸入訊號,其波峰因數有顯著的降低,這明確地指示了該放大器的輸出已經處於相當程度的壓縮狀態。

圖 6:CCDF 曲線顯示放大器的輸出 (CH2) 處於壓縮狀態。
電子反制 (ECM) 雷達
當雷達訊號無法有效地透過諸如前述與雜訊雷達相關的技術手段加以隱藏時,電子反制 (ECM, electronic countermeasure) 技術便會被用來干擾或欺騙敵方的雷達偵測系統,其中一種常見且有效的 ECM 手段,便是利用可變的脈衝重複頻率 (PRF)。許多傳統的雷達系統在其設計上,受限於僅能識別那些符合其預設操作協定與參數的訊號,因此,透過主動改變我方雷達訊號的 PRF,便有可能有效地混淆那些標準設計的雷達接收器,使其無法正確解讀訊號。舉例來說,動態地調整 PRF 值,可以成功地模糊目標物體的真實距離或移動速度,從而達到電子反制的目的。
ECM 射頻量測
為了準確地判定 ECM 技術的實際有效性,所使用的射頻功率量測儀器必須具備能夠精確判定 PRF 變化範圍的能力,而目前最先進的測試設備已經可以有效地量測並透過友善的使用者介面輕鬆顯示此種 PRF 的動態變化情形。透過運用專門的 PRF 範圍量測工具,工程師們可以有效地驗證所部署之 ECM 策略的實際效果。如圖 7 所示,該圖例示了一個現代化的顯示介面,其中不僅呈現了個別的 PRF 量測值,同時也清晰地展示了 PRF 在一段時間內的變化範圍與趨勢。

圖 7:一個顯示個別與可變 PRF 量測結果的現代化顯示介面。
實現複雜現代雷達技術的關鍵
現今高度發展的先進雷達系統,其應用範圍廣泛,涵蓋了如 DME/DVOR 精密導航系統、IFF/SSR 敵友識別與次級監視系統、匿蹤应用的雜訊雷達技術,以及用於電子戰的 ECM 系統等,這些複雜系統都高度仰賴能夠提供精確無比的射頻功率量測,以達到其最佳設計效能的領先測試設備。
尖端的儀器製造商,例如 Boonton 公司所提供的系列功率量測產品,包括高階的 Boonton 4500C 峰值功率分析儀和靈活的 RTP5000 系列即時峰值 USB 功率感測器,為工程師提供了眾多關鍵測試工具與突出特點,其中包括極快的脈衝上升時間 (3 ns)、便捷的自動化脈衝參數分析、卓越的時間解析度 (100 ps) 以捕捉訊號細節、確保無資料遺失的即時處理能力、可進行長時間觀測的延長量測視窗、足以應對寬頻訊號的寬廣視訊頻寬 (VBW, 195 MHz)、深入分析訊號特性的統計分析功能(如 CCDF)、高頻雜訊的精確量測,以及對動態可變 PRF 訊號的追蹤與量測能力。無論是在要求嚴苛的軍事應用領域,或是在講求高可靠度的民用應用場合,廣大的工程師和技術人員都能夠透過選擇這些在射頻功率量測技術方面最先進的測試設備,持續不斷地推動雷達技術的發展前沿,開發出更高效、更可靠的雷達解決方案。
