消除重複路徑的累積誤差:深入解析諧波消除與迭代學習控制技術
在精密的運動控制應用中,重複性與週期性的運動路徑是相當常見的情境,然而,系統固有的物理限制與外部擾動,如馬達的頓轉矩、不平衡負載或正弦波的命令軌跡,經常導致追蹤誤差,進而影響最終成品的精度與產能;為了解決這些挑戰,Aerotech 開發了一系列先進的控制演算法,本文將深入探討其中的兩項核心技術:諧波消除 (Harmonic Cancellation) 與迭代學習控制 (Iterative Learning Control, ILC),展示如何透過這些工具,將您的運動控制系統性能提升至新的水平。
對於負責精密加工、半導體製造、或高階檢測系統的工程師而言,這些技術能直接解決棘手的痛點,例如在高速雷射加工中,因重複掃描路徑而累積的動態誤差,或是在晶圓檢測時,因旋轉平台 (RΘ) 運動所產生的週期性擾動;透過 諧波消除 與 ILC,工程師能夠在不更改硬體架構的條件下,直接從控制器層級進行優化,有效抑制惱人的誤差來源,不僅能顯著提升定位精度與成品良率,更能縮短製程循環時間,最終達到提高產能的目標。
諧波消除:優化週期性軌跡、抑制週期性擾動
設計特點
- 優化週期性軌跡
- 抑制週期性擾動
- 設定過程快速簡單
- 能適應誤差來源的變化

圖 1. 透過諧波消除功能有效消除正弦波運動擾動的範例。
優化週期性軌跡
Aerotech 的諧波消除演算法,能夠顯著改善系統性能,其作法是減少由正弦波參考命令、馬達頓轉矩漣波或其他與位置相關的擾動,以及跨軸擾動(例如在線性軸上承載不平衡的旋轉軸所產生的擾動)所引起的追蹤誤差,此技術屬於控制器層級的演算法集合,用以提升機器定位精度、增加產能並縮短循環時間。
諧波消除是 動態控制工具箱 (Dynamic Controls Toolbox) 的一部分 ,在以下 Aerotech 控制器平台上皆可支援:
- A3200 軟體運動控制器:
作為一款以軟體為基礎的機器與運動控制器,A3200 平台可在工業電腦上直接運行,並與其他自動化控制系統並存;它能連接並同步多達 32 個驅動器的運動軌跡與 I/O ,並透過 HyperWire光纖匯流排確保軌跡點的完整性;在 A3200 中,諧波消除功能有助於過濾命令訊號中的非期望頻率。
型錄下載 > - Soloist 獨立型單軸運動控制器:
Soloist 是一款以驅動器為基礎的運動控制器,將強大的控制器功能與馬達驅動器整合在一起,無需額外硬體;它可執行以 AeroBasic 語言開發的即時應用程式碼 ,並支援如位置同步輸出 (PSO)、電子齒輪與進階資料收集等獨特的單軸功能;透過其動態控制工具箱,Soloist 能夠利用諧波消除演算法提升運動精度。
型錄下載 > - Ensemble 獨立型多軸運動控制器:
Ensemble 是針對中高階性能應用所設計的新一代多軸控制器;它能透過高速串列介面進行網路連線,協調多達 10 個運動軸 ,並可無縫混合搭配線性與 PWM 放大器,以及有刷、無刷和步進等不同馬達類型。
型錄下載 >

圖 2:得益於簡潔的使用者介面,諧波消除功能的應用相當容易,啟用此演算法能為您的精密運動控制系統發揮出最高的性能潛力。
應用
- 精密加工
- 馬達頓轉力的抑制
- 軍事/航太應用,例如使用ジンバル進行的 MEMS 感測器測試
- 主軸控制
- RΘ 晶圓檢測
迭代學習控制 (ILC)
設計特點
- 優化您的工件輪廓
- 提升產能
- 消除追蹤誤差

圖 3. 透過迭代學習控制改善定位誤差的範例。
提升產能與消除追蹤誤差
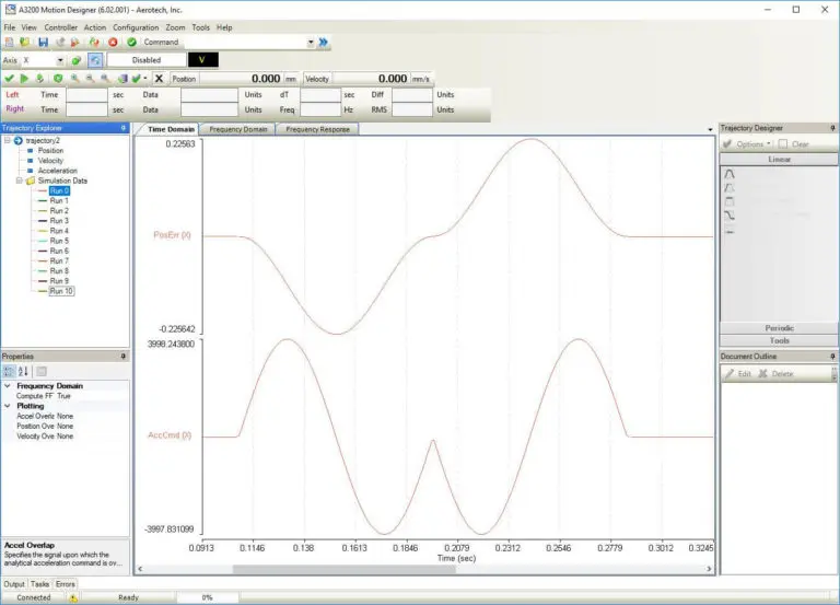
ILC 是一種先進的控制功能,它會檢視前幾次軌跡運行的追隨誤差,然後計算出一個最佳的命令軌跡,藉此達到理想的工件幾何形狀,在您多次運行軌跡後,此迭代演算法便會優化位置追蹤性能,每當您啟用學習控制來運行軌跡時,ILC 都會收集並利用這些資訊來優化軌跡,以實現趨近於零的追隨誤差。
一個典型的 ILC 優化過程,開始時會有顯著的定位誤差 (PosErr) 與平滑的加速度命令 (AccCmd) 曲線。

圖 4. 在實施迭代學習控制之前,定位誤差相對於加速度命令的曲線圖。
經過 10 次學習運行後,定位誤差幾乎被完全消除,同時您可以看到加速度命令發生了變化,這個更新後的運動軌跡,將追隨誤差最小化了。

圖 5. 經過 10 次學習運行後,定位誤差實現了巨大的改善,加速度命令相較於圖 2 有所改變,以達成更佳的定位誤差表現。
迭代學習控制是 Aerotech 的一項進階功能,可在以下控制器平台上使用 :
- A3200 軟體運動控制器:
A3200 平台致力於提供卓越的精度 ,其核心能力是將命令轉譯為業界頂尖的運動軌跡,此控制器支援 ILC 功能,適用於需要極高路徑精度的重複性任務。
型錄下載 > - Soloist 獨立型單軸運動控制器:
Soloist 透過其內建的強大功能與彈性,提供以驅動器為基礎的運動控制,該控制器支援 ILC 功能,使其不僅能勝任簡單的測試與研發應用,在生產環境中也同樣穩健可靠。
型錄下載 > - Ensemble 獨立型多軸運動控制器:
Ensemble 控制器具有多樣性、強大功能與經濟實惠的特點,適用於從基礎的實驗室定位到高階的 OEM 系統,使用者可透過其 GUI 整合開發環境軟體監控與控制複雜的定位系統。
型錄下載 >
應用
- 電子製造
- 雷射加工
- LED 顯示器製造
- 軍事/航太
- 研究系統
- 半導體
相關產品
延伸閱讀
若您想深入了解更多與提升運動控制精度、優化加工流程相關的技術,以下文章提供了豐富的案例與解析。